Product TN-UHF-ACCSY-Q150-PROTECT
Accessories
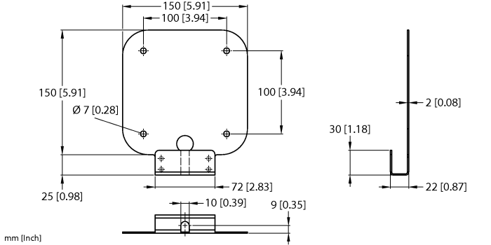
Mounting Adapter
Ident. no.: 100028607- Protective plate for SMA plug of TN-UHF-ANT-Q150… antenna

General data
| EAN | 4047101541144 |
| eCl@ss-Code (V5.1.4): | 27280401 -/- Identification RFID |
| Customs tariff number | 8536504000 |
| Country of origin | DE |
| Weight | 315 g |
Technical Data
| Accessory type | Mounting adapter |
| For use with | Passive antennas |
| Housing material | Stainless steel |

