Product SC11EX-3G
excom I/O System
Segment Coupler
Ident. no.: 100000550- Device for intrinsically safe separation of RS485 and RS485-IS
- PROFIBUS-DP and Modbus RTU
- For connecting more than 32 PROFIBUS-DP slaves in a PROFIBUS network
- Supports redundancy
Automatic baud rate detection

General data
| EAN | 4047101439748 |
| eCl@ss-Code (V5.1.4): | 27250312 -/- Communication interface, active |
| Customs tariff number | 8517620010 |
| Country of origin | DE |
| Weight | 645 g |
Technical Data
| Fieldbus Protocol | PROFIBUS-DP |
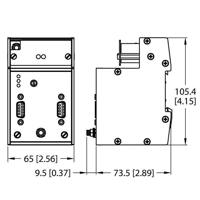
| Connection technology signal | D-Sub |
| Device type | Coupler |
| Ambient temperature | -40…+70 °C |
| Protection class | IP20 |
| Approvals | ATEX, cFMus, cFM, IECEx, CCC, KOSHA, EAC Ex, UKCA, CE |
Data Sheets
Approval
Manual
Product Catalog
Product Overview
Quick Start Guide
Connectivity accessories
|
D9T-RS485 /6ES7972-0BA61-0XA0
PROFIBUS bus connector for RS485, Fast Connect, with PG gland, 35° outlet |
6890942 |
|
D9T-RS485IS /6ES7972-0DA60-0XA0
PROFIBUS bus connector for RS485-IS, Fast Connect, only for use with IS devices! |
6890944 |
|
D9T-RS485PG /6ES7972-0BB61-0XA0
PROFIBUS bus connector for RS485, Fast Connect, with PG gland, 35° outlet |
6890943 |

