Product REM-190S6C-IOL32B-H1141
Absolute Rotary Encoder - Multiturn
IO-Link
Industrial Line
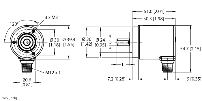
Ident. no.: 100018235- Clamping flange, Ø 36 mm
- Solid shaft, Ø 6 mm × 12.5 mm
- Magnetic measuring principle
- Shaft material: stainless steel
- IP67 rated on the shaft side
- ‐40…+85 °C
- Max. 4000 rev/min
- 18….30 VDC
- M12 x 1 male connection, 4-pin
- Singleturn resolution 14 bit scalable, default 14 bit
- Multiturn resolution scalable only to 18 bits over total resolution, default 18 bits
- Total resolution 32 bit scalable, default 32 bit

General data
| EAN | 4047101523690 |
| eCl@ss-Code (V5.1.4): | 27270501 -/- Encoder, absolute |
| Customs tariff number | 9031808085 |
| Country of origin | DE |
| Weight | 284 g |
Technical Data
| Encoder line | Industrial-Line |
| Technology | Magnetic |
| Output type | Absolute multiturn |
| Shaft Type | Solid shaft |
| Shaft diameter D (mm) | 6 |
| Flange diameter | Ø 36 mm |
| Flange type | Clamping flange |
| Operating voltage | 18…30 VDC |
| Communication protocol | IO-Link |
| Electrical connection | Connector, M12 × 1 |
| Housing material | Die-cast zinc |
| Ambient temperature | -40…+85 °C |
| Protection class shaft | IP67 |
| Protection class | IP67 |
Data Sheets
Approval/Declaration
Catalog
Configuration File
Configuration Software
Manual
Mounting accessories
|
RA-BC-20-06-06
Bellows coupling with aluminum hub Ø 20 mm; d1 = 6 mm, d2 = 6 mm |
100048777 |
|
RA-BC-20-06-08
Bellows coupling with aluminum hub Ø 20 mm; d1 = 6 mm, d2 = 8 mm |
100048778 |
|
RA-BC-20-06-10
Bellows coupling with aluminum hub Ø 20 mm; d1 = 6 mm, d2 = 10 mm |
100048779 |
|
RA-BC-E-20-06-10
Stainless steel bellows coupling Ø 20 mm; d1 = 6 mm, d2 = 10 mm |
100048786 |
|
RA-SDC-30-06-10
Spring disc coupling Ø 30 mm; d1 = 6 mm, d2 = 10 mm |
100048791 |
|
RA-SDC-30-06-06
Spring disc coupling Ø 30 mm; d1 = 6 mm, d2 = 6 mm |
100048790 |
|
RA-HC-25-06-06
Aluminum helix coupling Ø 25 mm; d1 = 6 mm, d2 = 6 mm |
100048794 |
|
RA-HC-25-06-10
Aluminum helix coupling Ø 25 mm; d1 = 6 mm, d2 = 10 mm |
100048795 |

