Product BCT4-M12-IOL-H1141
Capacitive Sensor
Ident. no.: 100027492- Detection of metallic and non-metallic objects
- Detection of liquids, powders and solid materials
- All functions can be parameterized via IO-Link
- Three different types of object teaching (one value, two value, dynamic) possible
- Available counting function whose content can be called up via IO-Link
- Switching status indicated by four LEDs arranged all around the device
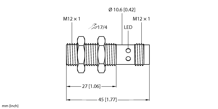
- M12 × 1 male connector, 4-pin
- Robust, compact housing made of nickel-plated brass
- M12 threaded design, flush, switching distance = 4 mm

General data
| EAN | 4047101539042 |
| eCl@ss-Code (V5.1.4): | 27270102 -/- Capacitive proximity switch |
| Customs tariff number | 9026204000 |
| Country of origin | DE |
| Weight | 23 g |
Technical Data
| Function | Level detection |
| Design | Threaded barrel |
| Construction size | M12 x 1 |
| Rated switching distance | 4 mm |
| Operating voltage | 18…30 VDC |
| Output function | NO/NC programmable, PNP/NPN |
| Communication protocol | IO-Link |
| Electrical connection | Connector, M12 × 1 |
| Housing material | Metal, Nickel-Plated Brass |
| Ambient temperature | -25…+70 °C |
| Protection class | IP67 |
Data Sheets
Approval/Declaration
CAD File
Catalog (CAT)
Configuration File
Configuration Software
Instructions for Use
Manual
| IO-Link Devices — Commissioning | 11322 KB |
| IO-Link — Simple, Consistent, Efficient | 1266 KB |
| IO-Link Parameters Manual | 375 KB |
Product Catalog Pages
Product Overview
Mounting accessories
|
BST-12B
Mounting clamp for threaded barrel sensors, with dead-stop; material: PA6 |
6947212 |
Functional accessories
|
USB-2-IOL-0002
IO-Link Master with integrated USB port |
6825482 |

