Product BI20R-W30-DAP6X-H1141
Inductive Sensor
Ring Sensor
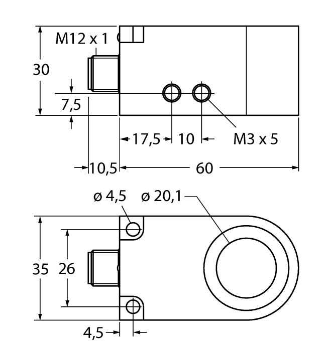
Ident. no.: 14042- Rectangular, height 30 mm
- Plastic, PA12‐GF30
- Pulse duration 100 ms
- Sensitivity adjusted via potentiometer
- DC 3-wire, 10…30 VDC
- Dynamic output behaviour
- NO contact, PNP output
- M12 x 1 male connector

General data
| EAN | 4047101000511 |
| eCl@ss-Code (V5.1.4): | 27270101 -/- Inductive proximity switch |
| Customs tariff number | 8538908180 |
| Country of origin | DE |
| Weight | 73 g |
Technical Data
| Design | Ring sensor |
| Construction size | 60 x 35 x 30 mm, W30 |
| Inside ring diameter D | 20.1 mm |
| Operating voltage | 10…30 VDC |
| Output function | NO contact, PNP |
| Switching frequency | 0.0080 kHz |
| Electrical connection | Connector, M12 × 1 |
| Housing material | Plastic, PA12-GF30 |
| Ambient temperature | -25…+70 °C |
| Protection class | IP67 |
| Special features | Ring sensor, dynamic output |

