Product RS-31H12E-3C13B-H1181
Absolute Rotary Encoder - Singleturn
Industrial Line
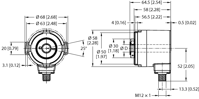
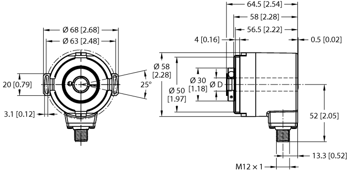
Ident. no.: 1544424- Flange with torque stop, Ø 50 mm
- Hollow shaft, Ø 12mm
- Optical measuring principle
- Shaft material, stainless steel
- Protection class IP67 on shaft side
- -40…+70 °C
- Max. 4000 rpm
- 10…30 VDC
- SSI, gray
- M12 × 1 male, 8-pin
- 360° resolved in 13 bit (8192 positions)

General data
| EAN | 4047101255881 |
| eCl@ss-Code (V5.1.4): | 27270501 -/- Encoder, absolute |
| Customs tariff number | 90318020000 |
| Country of origin | DE |
| Weight | 458 g |
Technical Data
| Encoder line | Industrial-Line |
| Technology | Optical |
| Output type | Absolute singleturn |
| Shaft Type | Blind hole shaft |
| Shaft diameter D (mm) | 12 |
| Flange diameter | Ø 63 mm |
| Flange type | Flange with stator coupling |
| Measuring range | 0…360° |
| Operating voltage | 10…30 VDC |
| Communication protocol | SSi |
| Electrical connection | Connector, M12 × 1 |
| Housing material | Die-cast zinc |
| Ambient temperature | -40…+70 °C |
| Protection class shaft | IP67 |
| Protection class | IP67 |

