Product RA-43-S8
Accessories
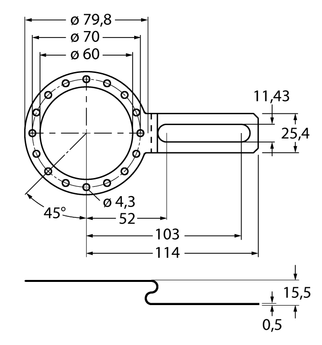
Long tether arm
For RI-43 Hollow Shaft Encoders
Ident. no.: 1545909- Mounting bracket
- Long tether arm
- For applications with fixing points on adjustable reference diameter
- Material: stainless steel
- Kit includes: 3 m4x5mm screws, 1 1/4-20x1.0” bolt, 1/4-20 Nut, 1 nylon step washer, 1 nylon mating washer

General data
| eCl@ss-Code (V5.1.4): | 27279090 -/- Sensor technology (not classified) |
| Customs tariff number | 4016935010 |
| Country of origin | DE |
| Weight | 45.39 g |
Technical Data
| For use with | Encoders |
| Housing material | Stainless steel |

