Product BC5-Q08-AP6X2/S250
Capacitive Sensor
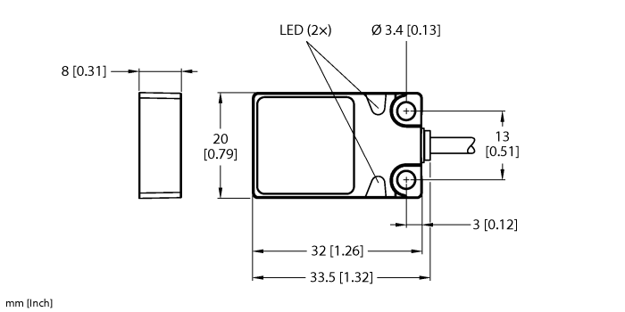
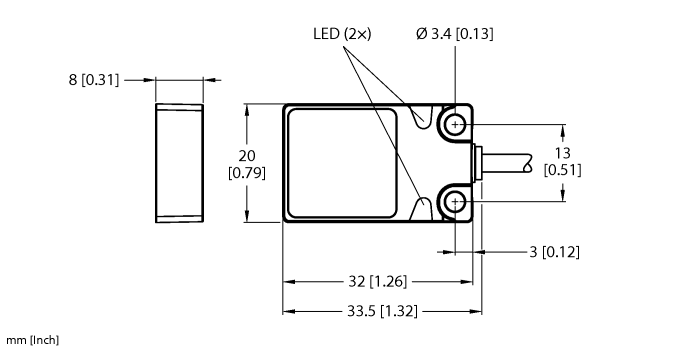
Ident. no.: 26200- Rectangular, height 8 mm
- Active face on top
- Metal, Zamak, nickel plated
- Fixed settings
- DC 3-wire, 10…30 VDC
- NO contact, PNP output
- Cable connection

General data
| EAN | 4047101149272 |
| eCl@ss-Code (V5.1.4): | 27270102 -/- Capacitive proximity switch |
| Customs tariff number | 8536507000 |
| Country of origin | PL |
| Weight | 37 g |
Technical Data
| Design | Rectangular |
| Construction size | 32 x 20 x 8 mm, Q08 |
| Rated switching distance | 5 mm |
| Operating voltage | 10…30 VDC |
| Output function | NO contact, PNP |
| Electrical connection | Cable |
| Cable length (L) | 2.0 m |
| Housing material | Metal, Zamak, Nickel Plated |
| Ambient temperature | -25…+70 °C |
| Protection class | IP68 |
| Approvals | UL |

