Product BI2-EH6.5K-AP6X-V1131
Inductive Sensor
With Increased Switching Distance
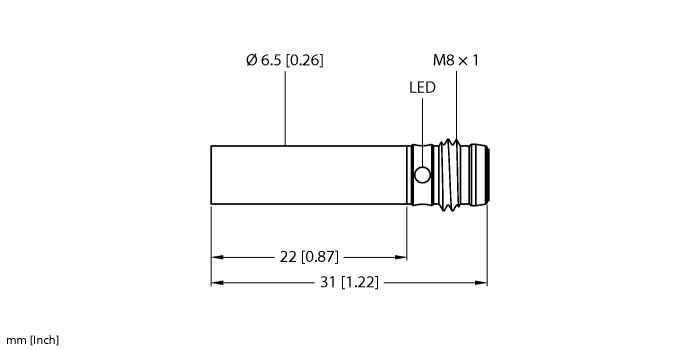
Ident. no.: 4610020- Smooth barrel, Ø 6.5 mm
- Stainless steel, 1.4305 (AISI 303)
- Large sensing range
- DC 3-wire, 10…30 VDC
- NO contact, PNP output
- M8 x 1 male connector

General data
| EAN | 4047101155068 |
| eCl@ss-Code (V5.1.4): | 27270101 -/- Inductive proximity switch |
| Customs tariff number | 8536504000 |
| Country of origin | DE |
| Weight | 7 g |
Technical Data
| Design | Smooth barrel |
| Construction size | Ø 6.5 mm |
| Rated switching distance | 2 mm |
| Mounting | Flush |
| Operating voltage | 10…30 VDC |
| Output function | NO contact, PNP |
| Switching frequency | 3.0 kHz |
| Electrical connection | Connector, M8 × 1 |
| Housing material | Stainless steel, 1.4305 (AISI 303) |
| Ambient temperature | -25…+70 °C |
| Protection class | IP67 |
| Special features | Sn + |

