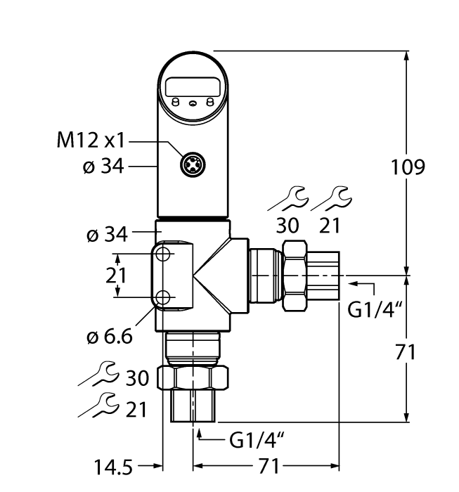
Product PS025D-501L-2UPN8X-H1141
Differential Pressure Sensor
2 PNP/NPN Transistor Switching Outputs
Ident. no.: 6834138- Pressure monitoring in harsh industrial environments
- Housing is rotatable after plugging the process connection
- Reading of adjusted values without tool
- High-side switch
- Recessed pushbutton, keylock and password for secure programming
- Permanent indication of pressure (bar, psi, kPa, MPa, misc)
- Peak pressure memory
- Pressure range 0…25 bar diff.

Data Sheets
Approval
Catalog (CAT)
Manual
| Operating Instructions PSD Differential Pressure Sensor | 751 KB |
| IO-Link — Simple, Consistent, Efficient | 1266 KB |

