Product RES-192S8C-IOL14B-H1141
Absolute Rotary Encoder - Singleturn
IO-Link
Industrial Line
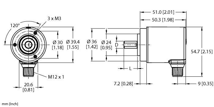
Ident. no.: 100020142- Clamping flange, Ø 36 mm
- Solid shaft, Ø 8 mm × 15 mm
- Magnetic measuring principle
- Shaft material: stainless steel
- IP67 rated on the shaft side
- ‐40…+85 °C
- Max. 4000 rev/min
- 10-30 VDC
- SSI (Binary Code)
- M12 connection, 8-pin
- 360° resolved in 14 bit (16384 positions)

General data
| EAN | 4047101544985 |
| eCl@ss-Code (V5.1.4): | 27270501 -/- Encoder, absolute |
| Customs tariff number | 9031808085 |
| Country of origin | DE |
| Weight | 220 g |
Technical Data
| Encoder line | Industrial-Line |
| Technology | Magnetic |
| Output type | Absolute singleturn |
| Shaft Type | Solid shaft |
| Shaft diameter D (mm) | 8 |
| Flange diameter | Ø 36 mm |
| Flange type | Clamping flange |
| Measuring range | 0…360° |
| Operating voltage | 18…30 VDC |
| Communication protocol | IO-Link |
| Electrical connection | Connector, M12 × 1 |
| Housing material | Die-cast zinc |
| Ambient temperature | -40…+85 °C |
| Protection class shaft | IP67 |
| Protection class | IP67 |
Data Sheets
Approval/Declaration
Catalog
Configuration File
Configuration Software
Manual
Mounting accessories
|
RA-BC-20-06-08
Bellows coupling with aluminum hub Ø 20 mm; d1 = 6 mm, d2 = 8 mm |
100048778 |
|
RA-BC-20-08-08
Bellows coupling with aluminum hub Ø 20 mm; d1 = 8 mm, d2 = 8 mm |
100048780 |
|
RA-BC-20-08-10
Bellows coupling with aluminum hub Ø 20 mm; d1 = 8 mm, d2 = 10 mm |
100048781 |
|
RA-BC-20-08-12
Bellows coupling with aluminum hub Ø 20 mm; d1 = 8 mm, d2 = 12 mm |
100049106 |

