Product RM-36B12E-9C28B-R3M12
Absolute Rotary Encoder - Multiturn
Industrial Line
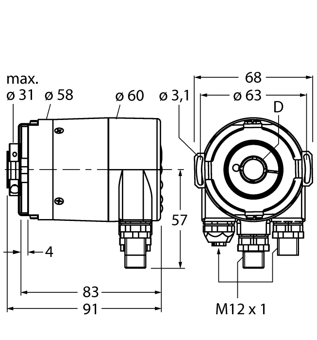
Ident. no.: 1544446- Flange with stator coupling, Ø 63 mm
- Hollow shaft, Ø 12 mm
- Optical measuring principle
- Shaft material: stainless steel
- Protection class IP67 on shaft side
- -40…+80 °C
- Max. 3000 rpm
- EtherCAT®
- Removable bus cover with male, 3 × M12
- Singleturn, resolution scalable to 16 bit (default 13-bit)
- Multiturn resolution max. 12 bit, scalable

General data
| EAN | 4047101256093 |
| eCl@ss-Code (V5.1.4): | 27270501 -/- Encoder, absolute |
| Customs tariff number | 9031804000 |
| Country of origin | DE |
| Weight | 400 g |
Technical Data
| Encoder line | Industrial-Line |
| Technology | Optical |
| Output type | Absolute multiturn |
| Shaft Type | Blind hole shaft |
| Shaft diameter D (mm) | 12 |
| Flange diameter | Ø 63 mm |
| Flange type | Flange with stator coupling |
| Operating voltage | 10…30 VDC |
| Communication protocol | EtherCAT |
| Electrical connection | Bus connection |
| Housing material | Die-cast zinc |
| Ambient temperature | -40…+80 °C |
| Protection class housing | IP67 |
| Protection class shaft | IP67 |

