Product RI-43H38S8-2F1024-H1181/N29
Incremental Hollow Shaft Rotary Encoder
Industrial Line
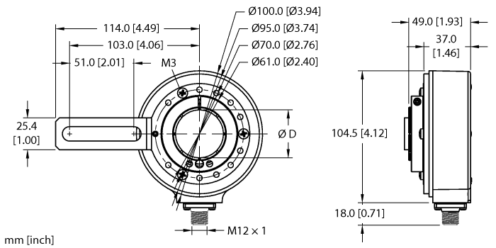
Ident. no.: 1545835- Flange with long arm bracket, Ø 100 mm
- Hollow shaft, Ø 38 mm
- Code (N29) B leads A, Z gated with B+. Z is 180 deg wide.
- Optical measuring principle
- Shaft material: stainless steel
- Protection class IP65 on the shaft side
- ‐40 ... +80°C
- max. 6000 rev / min
- 5…30 VDC
- Male connector, M12 x 1 , 8-pole
- Push-pull 7272, with inverted signals
- Pulse frequency max. 300 kHz
- 1024 pulses per revolution

General data
| eCl@ss-Code (V5.1.4): | 27270502 -/- Encoder, incremental |
| Customs tariff number | 9029108000 |
| Weight | 1100 g |
Technical Data
| Encoder line | Industrial-Line |
| Technology | Optical |
| Output type | Incremental |
| Shaft Type | Hollow shaft |
| Shaft diameter D (mm) | 38 |
| Shaft diameter D | 1.496 in |
| Flange diameter | Ø 100 mm |
| Flange type | Flange with mounting element |
| Resolution, incremental | 1024 ppr |
| Operating voltage | 5…30 VDC |
| Output function | Push-Pull 7272, with inverted signals |
| Electrical connection | Connector, M12 × 1 |
| Housing material | Die-cast zinc |
| Ambient temperature | -40…+80 °C |
| Protection class shaft | IP65 |
| Protection class | IP65 |
Data Sheets
CAD File
Catalog
Manual
Product Catalog Pages
Mounting accessories
|
RA-43-S4
Stainless steel long antii-rotation spring 110 mm reference diamter |
1545911 |
|
RA-43-E2
Stainless seel 4 1/2” C-face tether 149 mm reference diamter |
1545912 |
|
RA-43-S5
Stainless steel short anit-rotation spring 76 mm reference diamter |
1545910 |
|
RA-43-S8
Stainless steel long tether arm 104 - 206 mm reference diamter |
1545909 |
|
RA-43-E
Stainless steel slotted fexmount 119mm reference diamter |
1545946 |
|
RSA-7
Inlay, outer diameter 38 mm, inner diameter 12 mm |
1544808 |

