Product RI-12HA4S1-2K1024-C1M
Incremental Encoder
Industrial Line
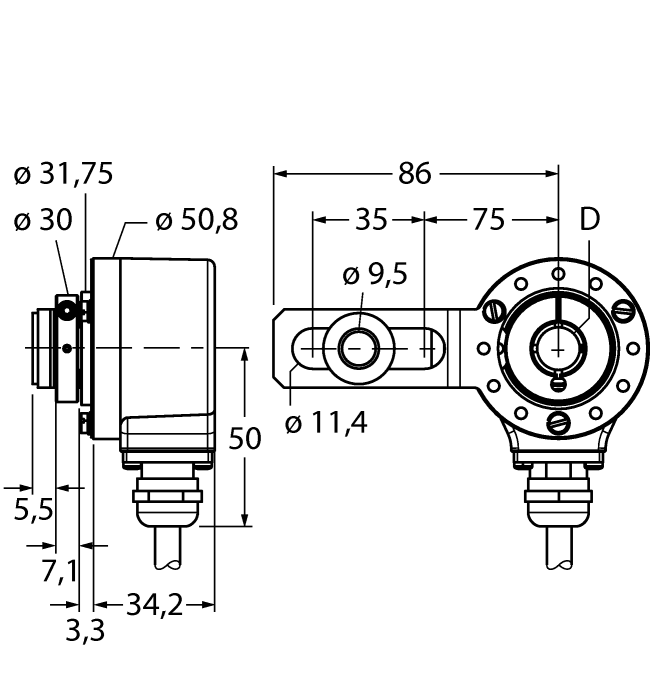
Ident. no.: 1545987- Flange with tether arm for 40-75mm mounting diameters
- Hollow shaft, Ø 5/8”
- Optical measuring principle
- Shaft material: stainless steel
- Protection class IP67 on housing and shaft side
- ‐40…+85 °C
- Max. 6000 rpm (continuous operation 3000 rpm)
- 5…30 VDC
- Cable connection, 8-pole
- Push-pull, with inverted signals
- Pulse frequency max. 300 kHz
- 1024 pulses per revolution

General data
| eCl@ss-Code (V5.1.4): | 27270502 -/- Encoder, incremental |
| Customs tariff number | 9029108000 |
| Country of origin | DE |
| Weight | 376.75 g |
Technical Data
| Encoder line | Industrial-Line |
| Technology | Optical |
| Output type | Incremental |
| Shaft Type | Hollow shaft |
| Shaft diameter D (mm) | 15.875 |
| Shaft diameter D | 0.625 in |
| Flange type | Flange with mounting element |
| Resolution, incremental | 1024 ppr |
| Operating voltage | 5…30 VDC |
| Output function | Push-Pull 7272, with inverted signals |
| Electrical connection | Cable |
| Housing material | Die-cast zinc |
| Ambient temperature | -40…+85 °C |
| Protection class shaft | IP67 |
| Protection class | IP67 |

