Product RI-12I10E-4B4096-H1181
Incremental Hollow Shaft Rotary Encoder
Industrial Line
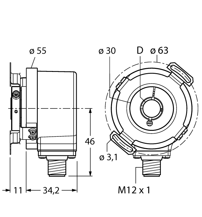
Ident. no.: 200001338- Flange with slotted flex mount, Ø 63 mm
- Hollow shaft, Ø 10mm
- Optical measuring principle
- Shaft material, stainless steel
- Protection class IP65 on shaft side
- -40…+85 °C
- Max. 12000 rpm (continuous operation 6000)
- 5…30 VDC
- Male connector, M12 x 1 , 8-pole
- RS422 with inverted signals
- Pulse frequency max. 300 kHz
- 4096 pulses per revolution

General data
| eCl@ss-Code (V5.1.4): | 27270502 -/- Encoder, incremental |
| Customs tariff number | 9031499000 |
| Country of origin | DE |
| Weight | 1100 g |
Technical Data
| Encoder line | Industrial-Line |
| Technology | Optical |
| Output type | Incremental |
| Shaft Type | Hollow shaft |
| Shaft diameter D (mm) | 10 |
| Shaft diameter D | 0.39 in |
| Flange diameter | Ø 63 mm |
| Flange type | Flange with stator coupling |
| Resolution, incremental | 4096 ppr |
| Operating voltage | 5…30 VDC |
| Output function | RS422/TTL, with inverted signals |
| Electrical connection | Connector, M12 × 1 |
| Housing material | Die-cast zinc |
| Ambient temperature | -40…+85 °C |
| Protection class housing | IP65 |
| Protection class shaft | IP65 |
| Protection class | IP67 |

