Product BI2-EG08K-AP6X-H1341
Inductive Sensor
With Increased Switching Distance
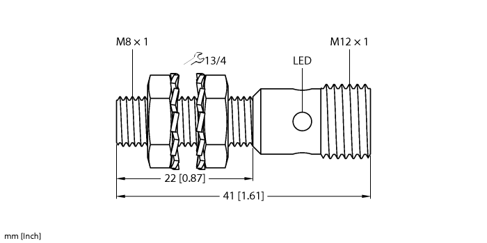
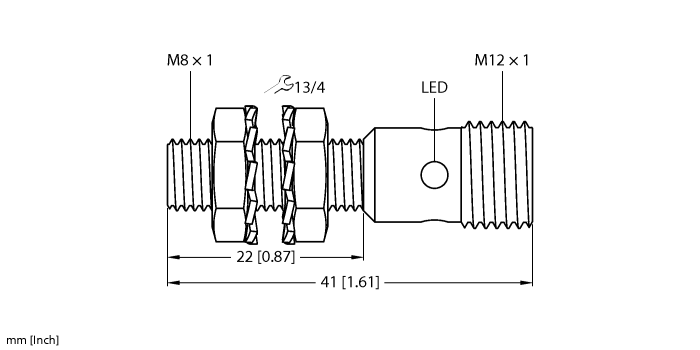
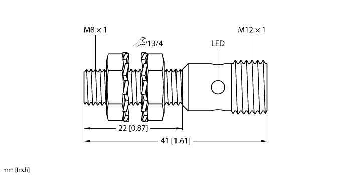
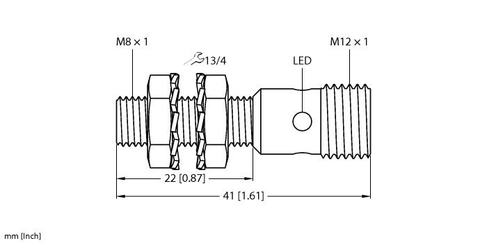
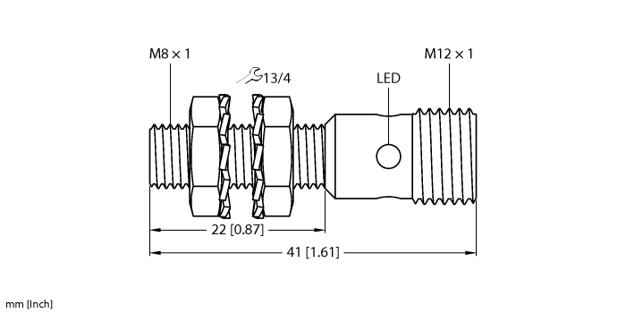
Ident. no.: 4669460- M8 × 1 threaded barrel
- Stainless steel, 1.4305 (AISI 303)
- Large sensing range
- DC 3-wire, 10…30 VDC
- NO contact, PNP output
- M12 x 1 male connector

General data
| EAN | 4047101159141 |
| eCl@ss-Code (V5.1.4): | 27270101 -/- Inductive proximity switch |
| Customs tariff number | 8536507000 |
| Country of origin | LK |
| Weight | 18 g |
Technical Data
| Design | Threaded barrel |
| Construction size | M8 x 1 |
| Rated switching distance | 2 mm |
| Mounting | Flush |
| Operating voltage | 10…30 VDC |
| Output function | NO contact, PNP |
| Switching frequency | 3.0 kHz |
| Electrical connection | Connector, M12 × 1 |
| Housing material | Stainless steel, 1.4305 (AISI 303) |
| Ambient temperature | -25…+70 °C |
| Protection class | IP67 |
| Special features | Sn + |
Data Sheets
CAD File
Catalog
Catalog (CAT)
EPLAN Electric P8
Product Catalog Pages
Mounting accessories
|
BST-08B
Mounting clamp for threaded barrel sensors, with dead-stop; material: PA6 |
6947210 |
|
MBS80
Mounting clamp for smooth barrel sensors; mounting block material: Anodized aluminum |
69479 |

