Product FCS-G1/2A4-NAEX/AL065
Flow Monitoring
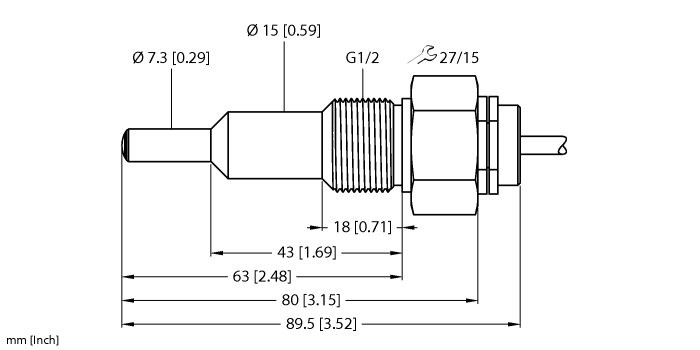
Immersion Sensor without Integrated Processor
Ident. no.: 6870324- Ex sensor for gaseous media
- Calorimetric functionality
- Adjustment via Ex signal processor
- Status indicated via LED chain on signal processor
- Sensor length 65 mm
- Intrinsically safe Ex ib IIC T4…T3, for use in Zone 1
- Cable device
- 4-wire connection to an Ex signal processor
- ATEX category II 2 G, Ex zone 1
- ATEX category II 2 D, Ex zone 21

General data
| EAN | 4047101172881 |
| eCl@ss-Code (V5.1.4): | 27273190 -/- Flow meter (not classified) |
| Customs tariff number | 8536504000 |
| Country of origin | CN |
| Weight | 290 g |
Technical Data
| Function | Flow monitoring |
| Design | Immersion |
| Process connection | G 1/2'' |
| Medium | gases |
| Detection type | Calorimetric |
| Electrical connection | Cable |
| Cable length (L) | 2.0 m |
| Sensor material | Stainless steel |
| Housing material | Stainless steel, 1.4571 (AISI 316Ti) |
| Medium temperature | -20…+85 °C |
| Protection class | IP67 |
| Approvals | ATEX II 2 G, ATEX II 2 D |
Data Sheets
Approval/Declaration
Brochure/Folder/Flyer (BRO)
Quick Start Guide
Functional accessories
|
FMX-IM-3UP63X
Ex signal processor for Ex flow sensors from the FC…-NAEX… product series; operating voltage 20…30 VDC; LED bar for displaying flow speed and medium temperature; IO-Link device with transistor outputs for flow, temperature and errors |
7525101 |
|
FMX-IM-3UR38X
Ex signal processor for Ex flow sensors from the FC….-NAEX… product series; operating voltage 20…250 VAC; LED bar for displaying flow speed and medium temperature; IO-Link device with relay outputs for flow, temperature and errors |
7525103 |
|
FMX-IM-2UPLI63X
Ex signal processor for Ex flow sensors from the FC…-NAEX… product series; operating voltage 20…30 VDC; LED bar for displaying flow speed and medium temperature; HART device with analog output for flow and transistor outputs for temperature and errors |
7525105 |

