Product BI7-Q08-LIU
Inductive Sensor
With Analog Output
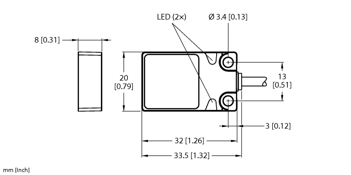
Ident. no.: 1534605- Rectangular, height 8 mm
- Active face on top
- Metal, Zamak, nickel-plated
- 4‐wire, 15…30 VDC
- Analog output
- 0…10 V and 0…20 mA
- Cable connection

General data
| EAN | 4047101145861 |
| eCl@ss-Code (V5.1.4): | 27270802 -/- Indcutive distance sensor |
| Customs tariff number | 8536504000 |
| Country of origin | CH |
| Weight | 37 g |
Technical Data
| Design | Rectangular |
| Construction size | 32 x 20 x 8 mm, Q08 |
| Measuring range | 1…4 mm |
| Mounting | Flush |
| Operating voltage | 15…30 VDC |
| Output function | Analog output |
| Voltage output | 0…10 V |
| Current output | 0…20 mA |
| Electrical connection | Cable |
| Cable length (L) | 2.0 m |
| Housing material | Metal, Zamak, Nickel Plated |
| Ambient temperature | -25…+70 °C |
| Protection class | IP68 |
Data Sheets
CAD File
Catalog
Catalog (CAT)
EPLAN Electric P8
Product Catalog Pages
Functional accessories
|
IM43-13-SR
Trip amplifier; 1-channel; input 0/4…20 mA or 0/2…10 V; supply of 2- or 3-wire transmitters/sensors; limit value adjustment via teach button; three relay outputs with one NO contact each; removable terminal blocks; 27 mm wide; universal voltage supply 20…250 VUC; further Limit value indicators are described in our ”Interface Technology” catalog. |
7540041 |

