Product WSP46PS-*
Powerfast™ Cordset
Connection Cable
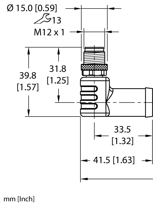
Ident. no.: 777040404- M12 Power, Male, Right angle, 4-pin, S-code, IP67, IP68
- Power Tray/Exposed Run/Direct Burial Cable
- Black PVC jacket, 4X16 AWG
- Sunlight Resistant
- -40 Cold Bend Rating
- Oil Resistant
- Flame Ratings: UL 1685 FT4, CSA FT1, CSA FT4, IEC 60332-3-22

General data
| Customs tariff number | 8544429090 |
| Country of origin | US |
| Weight | 1.1 g |
Technical Data
| Application | Power (>11 Amps) |
| Design | Single-ended |
| Connector A | Male, M12 × 1, Right angle, S-code |
| Number of contacts | 4 |
| Connector body | Plastic, PVC, Black |
| Coupling nut | Brass, CuZn, Nickel-plated |
| Voltage | 600 V |
| Current | 12 A |
| Cable diameter | Ø 9.14 mm |
| Cable jacket | PVC, Black |
| Number of Conductors | 4 |
| Protection class (When coupled) | IP67, IP68 |
| Approvals | RoHS |
Data Sheets
Brochure/Folder/Flyer (BRO)
Catalog (CAT)
Part Number Key
Product Catalog
Connectivity accessories
|
M12-CORDSETS-MOUNTING-CLIP-(10/BAG)
10 Pack of black mounting clips and M4x8mm mounting screws, used to secure cable to cable connection points. |
100016882 |

