Product EKWT.PR-A5.500-GC2K-2
Actuator and Sensor Cable
Connection Cable
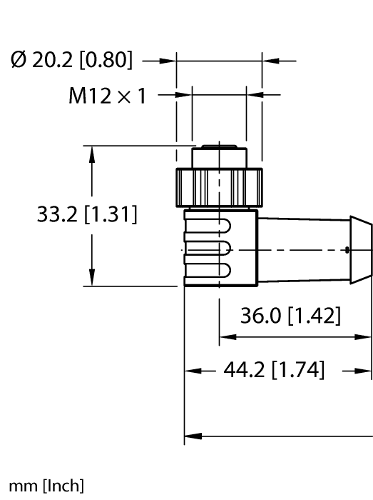
Ident. no.: 100034276- M12, Female, Right angle, 5-pin, Torque sleeve
- With 3-color LED (PNP, red, yellow, green)
- Instrumentation Tray Cable
- Black PVC jacket, 5X22 AWG
- Sunlight Resistant
- -40 Cold Bend Rating
- Oil Resistant
- Flame Ratings: UL 1685 FT4, UL1061, CSA FT4
- Flexlife® and C-Track Approved

General data
| eCl@ss-Code (V5.1.4): | 27250107 -/- Connection cable sensor-actuator |
| Customs tariff number | 8544429090 |
| Country of origin | MX |
| Weight | 1100 g |
Technical Data
| Application | Signal |
| Design | Single-ended |
| Connector A | Female, M12 × 1, Right angle, A-code |
| Number of contacts | 5 |
| Connector body | Plastic, TPU, Gray/translucent |
| Coupling nut | Brass, CuZn, Nickel-plated |
| Signal Indicator | PNP LED, Yellow (pin 4)/red (pin 2) |
| Current | 4 A |
| Cable diameter | Ø 5.69 mm |
| Length (L) | 2.0 m |
| Cable jacket | PVC, Black |
| Number of Conductors | 5 |
| Protection class (When coupled) | IP67, IP68, IP69, IP69K |
| Special Features | Torque sleeveLED |
| Approvals | UL 2238, CSA C22.2 No. 182.3, CE, UKCA, RoHS |
Data Sheets
Brochure/Folder/Flyer (BRO)
CAD File
Product Catalog Pages
Mounting accessories
|
M12-TORQUE-SLEEVE,YELLOW(10PACK)
10 Pack of Yellow Torque Sleeves for the new M12 cordsets. Compatible with male, female, straight and right-angled, stainless steel and nickel-plated brass coupling nuts. |
A900167 |
|
TORQUE-WRENCH-SET-M12/SW13
Adjustable torque driver to connect to the 13mm hex. Compatible with redesigned M12 cordsets, M12 Power, and M12 X-code. NOT Compatible with legacy M12 cordsets. Includes (1) adjustable torque driver, (1) adjustment tool, and (1) 13mm forked bit. |
A900152 |
Connectivity accessories
|
M12-CORDSETS-MOUNTING-CLIP-(10/BAG)
10 Pack of black mounting clips and M4x8mm mounting screws, used to secure cable to cable connection points. |
100016882 |

