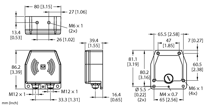
Product NICS-Q86-ETH-HK1141
Inductive coupler
Secondary Side
Ident. no.: 100050311- Rectangular
- Metal housing, die-cast zinc
- Plastic cover, PBT
- Max. 10 mm transmission distance
- 100 Mbps, full duplex
- Latency < 1 µs
- Power OUT: DC 2-wire, 24 VDC
- Power OUT: female connector, M12 × 1 (L-coded)
- Data IN/OUT: Ethernet (protocol independent)
- Data IN/OUT: female connector, M12 × 1 (D-coded)

General data
| EAN | 4047101672077 |
| Customs tariff number | 85176200000 |
| Country of origin | DE |
| Weight | 571 g |
Technical Data
| System components | Secondary side |
Data Sheets
Brochure/Folder/Flyer (BRO)
CAD STP File
Configuration Software
Quick Start Guide
Connectivity accessories
|
PSU67-1P-1S-2L-24150-IOL-F
1-phase power supply unit in IP67, 24 VDC, 15-A output current with IO-Link |
100028305 |
|
PSU67-11-2440/M
Power supply unit in IP67, 24 VDC, 4 A output current |
6884141 |
Functional accessories
|
TBEN-LL-8IOLA
Compact multiprotocol I/O module, IO-Link master 1.1, 8 class A, 8 universal digital PNP channels 2 A |
100029880 |
|
TBEN-L5-PLC-10 | 6814018 |
|
NICP-Q86-ETH-H1141 | 100050310 |

